COMPUTER ARCHITECTURE
Computer Architecture
What is a Digital Computer?
A device capable of solving problems by processing information in discrete
form. It operates on data, including magnitudes, letters, and symbols, that are
expressed in binary code—i.e., using only the two digits 0 and 1.
By using various coding techniques, groups of bits can be made to represent
numbers and discrete symbols such as decimal digits or letters of the
alphabet.
By judicious use of binary arrangements and various coding techniques, the
group of bits are used to develop complete sets of instructions for performing
various types of instructions.
Computer Architecture
Hardware Software
Block Diagram of a Digital Computer
Computer Architecture
Computer Organisation is concerned with the way the hardware components
operate and the way they are connected together to form the computer.
Computer Design is concerned with the hardware design. It is concerned with
what hardware should be used and how the parts to be connected together -
Computer Implementation
Computer Architecture – Structure and behaviour of the system as seen by the
user
Computer Architecture
Types of Architecture
• Von Neumann Architecture [Princeton Architecture]
• Harvard Architecture
Computer Architecture
Von Neumann Architecture
• John von Neumann in 1945.
• Based on the stored-program computer concept, where instruction data and program data
are stored in the same memory. ...
• This design is still used in most computers produced today.
An electronic digital computer with these components
• A processing unit that contains an arithmetic logic unit and processor registers
• A control unit that contains an instruction register and program counter
• Memory that stores data and instructions
• External mass storage
• Input and output mechanisms
A stored-program digital computer keeps both program instructions and data in read–write, RAM.
Computer Architecture
Computer Architecture
Computer Architecture
UNIT 1: Computer Organization and Design
Instruction codes - Stored program organization; Computer registers; Computer instruction; Instruction
cycle-Fetch and decode; Input output and interrupt; I-O instructions; Program interrupt; Basic design of
computer.
BASIC COMPUTER ORGANIZATION AND DESIGN
MAIN TOPICS
• Instruction Codes
• Computer Registers
• Computer Instructions
• Timing and Control
• Instruction Cycle
• Memory Reference Instructions
• Input-Output and Interrupt
• Complete Computer Description
• Design of Basic Computer
• Design of Accumulator Logic
This unit explains the design of a basic but complete CPU with a much
simpler design than any real-world processors available.
The basic computer design represents all of the major concepts in CPU
design without complicating students with the complexity of a modern
commercial CPU.
Computer Architecture
Instruction Codes
An instruction code is a group of bits that instruct the computer to perform a specific task.
It is usually divided into parts, each having its own particular interpretation.
They are:
•Operation Code or opcode
•Operands (in register /in address location)
The most basic part of an instruction code is its operation part.
Eg: - Add R1, R2, R3
Computer Architecture
Computer Architecture
Scanf(“%d” ,& i) ;
K = i + j;
A part of a C program
// Assuming the contents represented by variable i
is in address 2500
MOV R1 ,2500 // Storing content to a memory
location
Add R3 , R2 , R1 //Adding the contents of R2 and
R1 and storing that in R3.
Here ,
Add is the opcode
R3, R2 and R1 are in the operand field
Computer Architecture
Sample assembly
language program
Computer Architecture
Computer Instructions
Computer instructions are the basic components of a machine language program.
They are also known as macro operations, since each one is comprised of a sequence of
microoperations
Each instruction initiates a sequence of microoperations that fetch operands from registers or memory,
possibly perform arithmetic, logic, or shift operations, and store results in registers or memory.
Computer Architecture
Instructions are encoded as binary instruction codes.
Each instruction code contains of a operation code, or opcode, which designates the overall
purpose of the instruction (e.g. add, subtract, move, input, etc.).
The number of bits allocated for the opcode determined how many different instructions the
architecture supports.
The control unit is responsible for decoding the opcode and operand bits in the instruction
register, and then generating the control signals necessary to drive all other hardware in the
CPU to perform the sequence of micro-operations that comprise the instruction.
The opcode must consist of at least n bits for a given 2n or less distinct operations
Computer Architecture
Understanding the powers of 2
Computer Architecture
STORED PROGRAM ORGANIZATION
DIRECT AND INDIRECT ADDRESSING
Computer Architecture
Stored Program Organization
The operands are specified by indicating the registers and/or memory locations in which they are
stored.
– k bits can be used to specify which of 2 pow K registers (or memory locations) are to be used.
• The simplest design is to have one processor register
(called the accumulator) and two fields in the instruction,
one for the opcode and one for the operand.
• Any operation that does not need a memory operand frees
the other bits to be used for other purposes, such as
specifying different operations.
Computer Architecture
Computer Architecture
INTRODUCTION
• Every different processor type has its own design (different registers, buses, microoperations, machine
instructions, etc)
• Modern processor is a very complex device
• It contains
• Many registers
• Multiple arithmetic units, for both integer and floating point calculations
• The ability to pipeline several consecutive instructions to speed execution
• Etc.
• However, to understand how processors work, we will start with a simplified processor model
• This is similar to what real processors were like ~25 years ago
• M. Morris Mano introduces a simple processor model he calls the Basic Computer
• We will use this to introduce processor organization and the relationship of the RTL model to the higher
level computer processor
[In digital circuit design, register-transfer level (RTL) is a design abstraction which models a synchronous digital circuit
in terms of the flow of digital signals (data) between hardware registers, and the logical operations performed on those
signals.]
Computer Architecture
THE BASIC COMPUTER
• The Basic Computer has two components, a processor and memory
• The memory has 4096 words in it
• 4096 = 212, so it takes 12 bits to select a word in memory
• Each word is 16 bits long
CPU RAM
0
4095
0
15
Computer Architecture
INSTRUCTIONS
• Program
- A sequence of (machine) instructions
• Machine Instruction
- A group of bits that tell the computer to perform a specific operation (a
sequence of micro-operation)
• The instructions of a program, along with any needed data are stored in
memory
• The CPU reads the each instruction from memory
• It is placed in an Instruction Register (IR)
• Control circuitry in control unit then translates the instruction into the
sequence of microoperations necessary to implement it
Instruction codes
Computer Architecture
INSTRUCTION FORMAT
• A computer instruction is often divided into two parts
• An opcode (Operation Code) that specifies the operation for that instruction
• An address that specifies the registers and/or locations in memory to use for that operation
• In the Basic Computer, since the memory contains 4096 (= 212) words, we needs 12 bit to
specify which memory address this instruction will use
• In the Basic Computer, bit 15 of the instruction specifies the addressing mode (0: direct
addressing, 1: indirect addressing)
• Since the memory words, and hence the instructions, are 16 bits long, that leaves 3 bits for the
instruction’s opcode
Instruction codes
Computer Architecture
Addressing Modes
•There are four different types of operands
that can appear in an instruction:
– Direct operand - an operand stored in the register or in the memory location
specified.
– Indirect operand - an operand whose address is stored in the register or in the
memory location specified.
– Immediate operand - an operand whose value
is specified in the instruction.
Computer Architecture
Computer Architecture
Registers
Computer instructions are stored in consecutive locations and are executed
sequentially; this requires a register which can track the address of the next
instruction;
we call it the Program Counter.
We need registers which can hold the address at which a memory operand is
stored as well as the value itself.
We need a place where we can store
– temporary data
– the instruction being executed,
– a character being read in
– a character being written out.
Computer Architecture
Computer Architecture
Computer Architecture
The Common Bus System
To avoid excessive wiring, memory and all the register are connected via a common bus.
 The specific output that is selected for the bus is determined by S2 S1 S0
 The register whose LD (Load) is enable receives the data from the bus.
 Registers can be incremented by setting the INR control
 input and can be cleared by setting the CLR control input.
 The Accumulator’s input must come via the Adder & Logic Circuit. This allows the Accumulator and Data
Register to swap data simultaneously.
 The address of any memory location being accessed must be loaded in the Address Register.
Computer Architecture
Computer Architecture
Computer Instructions
• The basic computer has three instruction code formats:
– Memory-reference format – where seven 3-bit opcodes are followed by a 12-bit
memory address and preceded by a bit which indicates whether direct or indirect
addressing is being used.
– Register-reference format – where 01112 is followed by 12 bits which indicate a
register instruction.
– Input-output format – where 11112 is followed by 12bit which indicate an input-
output instruction.
• In register-reference and I/O formats, only one of the lower 12 bits is set.
Computer Architecture
Memory-reference Instructions
Computer Architecture
The basic computer has 16-bit instruction register (IR) which can denote either memory
reference or register reference or input-output instruction.
Memory Reference – These instructions refer to memory address as an operand. The other
operand is always accumulator. Specifies 12-bit address, 3-bit opcode (other than 111) and 1-
bit addressing mode for direct and indirect addressing.
Computer Instructions - 1. Memory Reference type
Computer Architecture
0 or 1 12 bit Memory Address
X X X
0 0 0
0 0 1
0 1 0
1 0 0
1 0 1
1 1 0
Example –
if the IR register contains = 0001 XXXX XXXX XXXX, i.e. ADD after fetching and decoding of instruction we find out that
it is a memory reference instruction for ADD operation.
4 bits 3 sets of 4 bits
Computer Architecture
2. Register Reference –
• These instructions perform operations on registers rather than memory
addresses. The IR(14 – 12) is 111 (differentiates it from memory reference) and
IR(15) is 0 (differentiates it from input/output instructions). The rest 12 bits
specify register operation.
Computer Architecture
IR register contains = 0111001000000000, i.e. CMA after fetch and decode cycle we find out that it is a
register reference instruction for complement accumulator.
CLA 7800 Clear AC
CLE 7400 Clear E(overflow bit)
CMA 7200 Complement AC
CME 7100 Complement E
CIR 7080 Circulate right AC and E
CIL 7040 Circulate left AC and E
INC 7020 Increment AC
SPA 7010 Skip next instruction if AC > 0
SNA 7008 Skip next instruction if AC < 0
SZA 7004 Skip next instruction if AC = 0
SZE 7002 Skip next instruction if E = 0
HLT 7001 Halt computer
Computer Architecture
REGISTER TRANSFER
INSTRUCTIONS
3. Input/Output – These instructions are for communication between computer and outside
environment. The IR(14 – 12) is 111 (differentiates it from memory reference) and IR(15) is
1 (differentiates it from register reference instructions). The rest 12 bits specify I/O
operation.
Computer Architecture
Example –
IR register contains = 1111100000000000, i.e. INP after fetch and decode cycle we find
out that it is an input/output instruction for inputing character. Hence, INPUT character
from peripheral device.
Computer Architecture
Instruction-Set Completeness
• A computer instruction set is said to be complete if the computer includes a
sufficient number of instructions in each of these categories:
– Arithmetic, logical and shift instructions
– Instructions for moving data from registers to memory and memory to registers.
– Program-control and status-checking instructions
– Input and output instructions
• We can perform moves using the LDA and STA instructions.
• We have unconditional branches (BUN), subprogram calls (BSA) and conditional
branches.
• We also have all the instructions we need to perform input and output and
handle the interrupt that they generate.
Computer Architecture
Instruction Set Completeness
Computer Architecture
• A set of instructions is said to be complete if the computer includes a sufficient number of instructions in
each of the following categories:
• Arithmetic, logical and shift instructions
• A set of instructions for moving information to and from memory and processor registers.
• Instructions which controls the program together with instructions that check status conditions.
• Input and Output instructions
• Arithmetic, logic and shift instructions provide computational capabilities for processing the type of data the
user may wish to employ.
• A huge amount of binary information is stored in the memory unit, but all computations are done in
processor registers. Therefore, one must possess the capability of moving information between these two
units.
• Program control instructions such as branch instructions are used change the sequence in which the
program is executed.
• Input and Output instructions act as an interface between the computer and the user. Programs and data
must be transferred into memory, and the results of computations must be transferred back to the user.
Computer Architecture
Timing and Control
Timing and Control – Continued ..
• A Hard-wired Control consists of two decoders, a sequence counter, and a number of logic gates.
• An instruction fetched from the memory unit is placed in the instruction register (IR).
• The component of an instruction register includes; I bit, the operation code, and bits 0 through
11.
• The operation code in bits 12 through 14 are coded with a 3 x 8 decoder.
• The outputs of the decoder are designated by the symbols D0 through D7.
• The operation code at bit 15 is transferred to a flip-flop designated by the symbol I.
• The operation codes from Bits 0 through 11 are applied to the control logic gates.
• The Sequence counter (SC) can count in binary from 0 through 15.
Computer Architecture
Computer Architecture
The last three waveforms in Fig. show
how SC is cleared when D3T4 = I.
Output D3 from the operation
decoder becomes active at the end of
timing signal T2
• When timing signal T4 becomes
active, the output of the AND gate
that implements the control function
D3T4 becomes active. This signal is
applied to the CLR input of SC.
Instruction Cycle
Computer Architecture
A program residing in the memory unit of a computer consists of a
sequence of instructions.
These instructions are executed by the processor by going through a
cycle for each instruction.
In a basic computer, each instruction cycle consists of the following
phases:
1.Fetch instruction from memory.
2.Decode the instruction.
3.Read the effective address from memory.
4.Execute the instruction.
• The program is executed in the computer by going through a cycle for
each instruction.
• Upon the completion of step 4, the control goes back to step 1 to
fetch, decode, and execute the next instruction. This process
continues indefinitely unless a HALT instruction is encountered.
Computer Architecture
Instruction Cycle
• Initially, the program counter PC is loaded with the address of the first instruction in the program.
The sequence counter SC is cleared to 0, providing a decoded timing signal To.
• After each clock pulse, SC is incremented by one, so that the timing signals go through a sequence
T0, T1, T2, and so on. The microoperations for the fetch and decode phases can be specified by
the following register transfer statements.
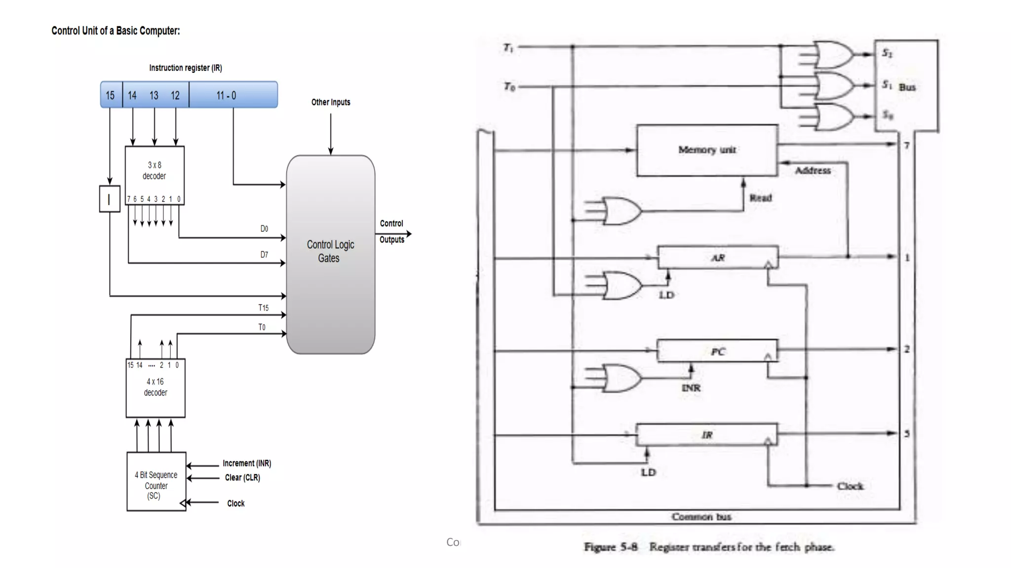
• T0: AR <- PC
• T1: IR <-M[AR], PC <- PC + 1
• T2: D0, ••• , D7 <-Decode IR(12-14), AR <---IR(0-11), 1 <---IR(l5)
• Since only AR is connected to the address inputs of memory, it is necessary to transfer the
address from PC to AR during the clock transition associated with timing signal T0
• 1.The content of PC is placed onto the bus by setting the bus selection inputs S2S1S0 ie)010
• 2. The content of the bus is transferred to AR by enabling the LD input of AR
Computer Architecture
• To provide the data path for the
transfer of PC to IR, timing signal T1
is applied
• 1. The read input of memory is
enabled
• 2. the content of memory is placed
onto the bus by making s2s1s0 =111
• 3. The content of bus is transferred
to IR by enabling LD input of IR
• 4.
• PC is incremented by enabling the
INR input of PC
Computer Architecture
Computer Architecture
Computer Architecture
Type of Instruction and Addressing
During time T3, the control unit determines if this is a memory-reference, register-
reference or input/output instruction.
If D7=1,then it should be register reference or I/O reference instruction depending
on I bit
-if D7 ≠0,it is a memory-reference instruction, opcode must be 000 through 011 the
I bit will determine direct or indirect addressing.
• The four separate paths are:
D7’IT3: AR ¬ M[AR]
D7’I’T3: Nothing
D7I’T3: Execute a register-reference instruction
D7IT3: Execute an input-output instruction
Computer Architecture
Computer Architecture
Computer Architecture
Computer Architecture
Computer Architecture
Computer Architecture
Computer Architecture
Computer Architecture
Computer Architecture
Computer Architecture
Computer Architecture
Computer Architecture
Computer Architecture
COMPLETE COMPUTER DESCRIPTION
Fetch
Decode
Indirect
Interrupt
Memory-Reference
AND
ADD
LDA
STA
BUN
BSA
ISZ
RT0:
RT1:
RT2:
D7IT3:
RT0:
RT1:
RT2:
D0T4:
D0T5:
D1T4:
D1T5:
D2T4:
D2T5:
D3T4:
D4T4:
D5T4:
D5T5:
D6T4:
D6T5:
D6T6:
AR  PC
IR  M[AR], PC  PC + 1
D0, ..., D7  Decode IR(12 ~ 14),
AR  IR(0 ~ 11), I  IR(15)
AR  M[AR]
R  1
AR  0, TR  PC
M[AR]  TR, PC  0
PC  PC + 1, IEN  0, R  0, SC  0
DR  M[AR]
AC  AC  DR, SC  0
DR  M[AR]
AC  AC + DR, E  Cout, SC  0
DR  M[AR]
AC  DR, SC  0
M[AR]  AC, SC  0
PC  AR, SC  0
M[AR]  PC, AR  AR + 1
PC  AR, SC  0
DR  M[AR]
DR  DR + 1
M[AR]  DR, if(DR=0) then (PC  PC + 1),
SC  0
T0T1T2(IEN)(FGI + FGO):
Computer Architecture
Register-Reference
CLA
CLE
CMA
CME
CIR
CIL
INC
SPA
SNA
SZA
SZE
HLT
Input-Output
INP
OUT
SKI
SKO
ION
IOF
D7IT3 = r
IR(i) = Bi
r:
rB11:
rB10:
rB9:
rB8:
rB7:
rB6:
rB5:
rB4:
rB3:
rB2:
rB1:
rB0:
D7IT3 = p
IR(i) = Bi
p:
pB11:
pB10:
pB9:
pB8:
pB7:
pB6:
(Common to all register-reference instr)
(i = 0,1,2, ..., 11)
SC  0
AC  0
E  0
AC  AC
E  E
AC  shr AC, AC(15)  E, E  AC(0)
AC  shl AC, AC(0)  E, E  AC(15)
AC  AC + 1
If(AC(15) =0) then (PC  PC + 1)
If(AC(15) =1) then (PC  PC + 1)
If(AC = 0) then (PC  PC + 1)
If(E=0) then (PC  PC + 1)
S  0
(Common to all input-output instructions)
(i = 6,7,8,9,10,11)
SC  0
AC(0-7)  INPR, FGI  0
OUTR  AC(0-7), FGO  0
If(FGI=1) then (PC  PC + 1)
If(FGO=1) then (PC  PC + 1)
IEN  1
IEN  0
COMPLETE COMPUTER DESCRIPTION Micro-operations
Computer Architecture
DESIGN OF BASIC COMPUTER
Hardware Components
• A basic computer consists of the following hardware components.
• A memory unit with 4096 words of 16 bits each
• 9 Registers: AC (Accumulator), DR (Data register), AR (Address register), IR
(Instruction register), PC (Program counter), TR (Temporary register), SC (Sequence
Counter), INPR (Input register), and OUTR (Output register).
• 7 Flip-Flops: I, S, E, R, IEN, FGI and FGO
Control Logic Gates
- Input Controls of the nine registers
- Read and Write Controls of memory
- Set, Clear, or Complement Controls of the flip-flops
- S2, S1, S0 Controls to select a register for the bus
- AC, and Adder and Logic circuit
Computer Architecture
CONTROL OF REGISTERS AND MEMORY
Scan all of the register transfer statements that change the content of AR:
LD(AR) = R'T0 + R'T2 + D'7IT3
CLR(AR) = RT0
INR(AR) = D5T4
Address Register; AR
R’T0: AR  PC LD(AR)
R’T2: AR  IR(0-11) LD(AR)
D’7IT3: AR  M[AR] LD(AR)
RT0: AR  0 CLR(AR)
D5T4: AR  AR + 1 INR(AR)
Design of Basic Computer
AR
LD
INR
CLR
Clock
To bus
12
From bus
12
D'
I
T
T
R
T
D
T
7
3
2
0
4
Computer Architecture
CONTROL OF FLAGS
pB7: IEN  1 (I/O Instruction)
pB6: IEN  0 (I/O Instruction)
RT2: IEN  0 (Interrupt)
p = D7IT3 (Input/Output Instruction)
IEN: Interrupt Enable Flag
D
I
T3
7
J
K
Q IEN
p
B7
B6
T2
R
Computer Architecture
Computer Architecture
Computer Architecture
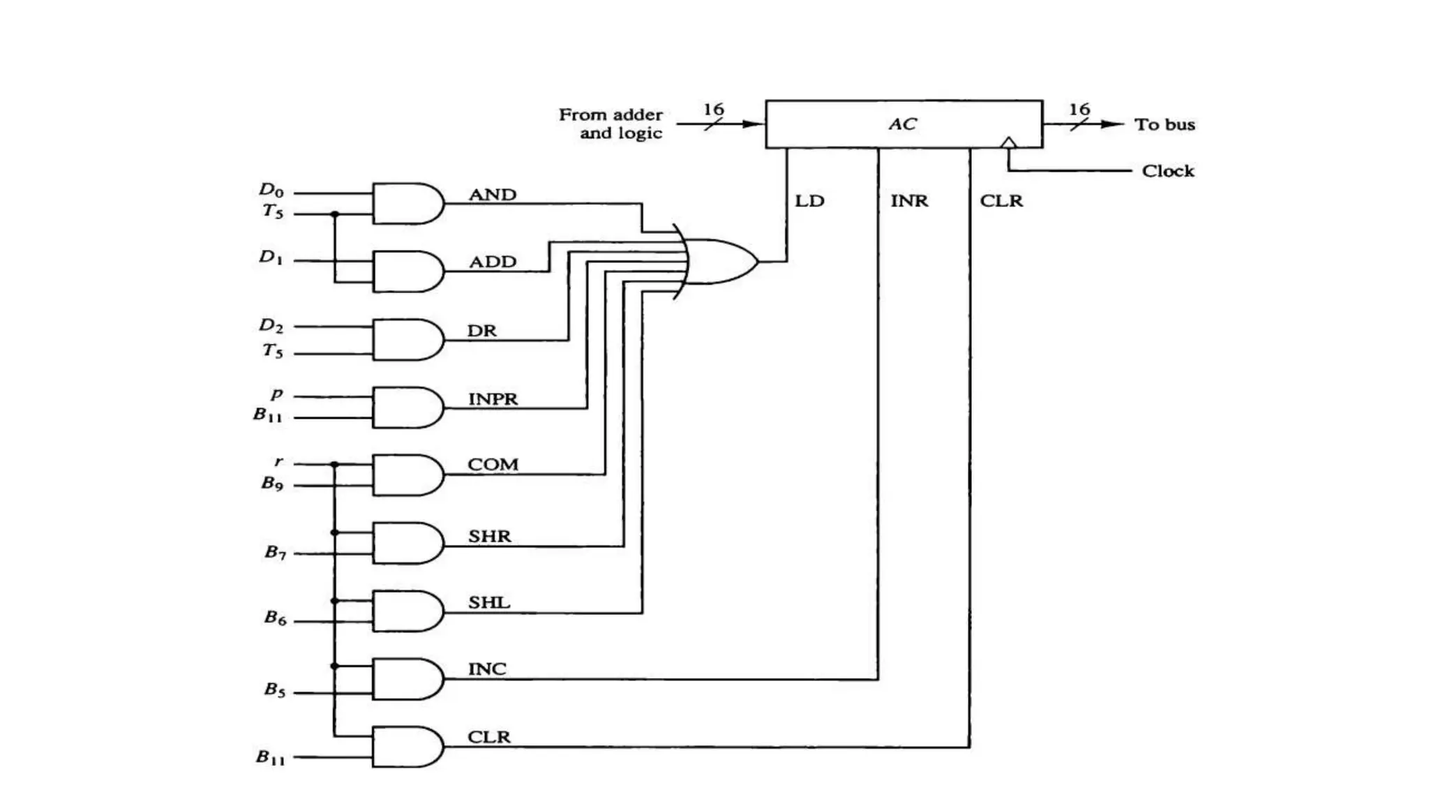
Design of ALU and AC -
Computer Architecture
Circuits associated with AC
Instructions associated with AC
Computer Architecture
Computer Architecture

Unit 1 computer architecture (1)

  • 1.
  • 2.
    What is aDigital Computer? A device capable of solving problems by processing information in discrete form. It operates on data, including magnitudes, letters, and symbols, that are expressed in binary code—i.e., using only the two digits 0 and 1. By using various coding techniques, groups of bits can be made to represent numbers and discrete symbols such as decimal digits or letters of the alphabet. By judicious use of binary arrangements and various coding techniques, the group of bits are used to develop complete sets of instructions for performing various types of instructions. Computer Architecture
  • 3.
    Hardware Software Block Diagramof a Digital Computer Computer Architecture
  • 4.
    Computer Organisation isconcerned with the way the hardware components operate and the way they are connected together to form the computer. Computer Design is concerned with the hardware design. It is concerned with what hardware should be used and how the parts to be connected together - Computer Implementation Computer Architecture – Structure and behaviour of the system as seen by the user Computer Architecture
  • 5.
    Types of Architecture •Von Neumann Architecture [Princeton Architecture] • Harvard Architecture Computer Architecture
  • 6.
    Von Neumann Architecture •John von Neumann in 1945. • Based on the stored-program computer concept, where instruction data and program data are stored in the same memory. ... • This design is still used in most computers produced today. An electronic digital computer with these components • A processing unit that contains an arithmetic logic unit and processor registers • A control unit that contains an instruction register and program counter • Memory that stores data and instructions • External mass storage • Input and output mechanisms A stored-program digital computer keeps both program instructions and data in read–write, RAM. Computer Architecture
  • 7.
  • 8.
  • 9.
    UNIT 1: ComputerOrganization and Design Instruction codes - Stored program organization; Computer registers; Computer instruction; Instruction cycle-Fetch and decode; Input output and interrupt; I-O instructions; Program interrupt; Basic design of computer. BASIC COMPUTER ORGANIZATION AND DESIGN MAIN TOPICS • Instruction Codes • Computer Registers • Computer Instructions • Timing and Control • Instruction Cycle • Memory Reference Instructions • Input-Output and Interrupt • Complete Computer Description • Design of Basic Computer • Design of Accumulator Logic This unit explains the design of a basic but complete CPU with a much simpler design than any real-world processors available. The basic computer design represents all of the major concepts in CPU design without complicating students with the complexity of a modern commercial CPU. Computer Architecture
  • 10.
    Instruction Codes An instructioncode is a group of bits that instruct the computer to perform a specific task. It is usually divided into parts, each having its own particular interpretation. They are: •Operation Code or opcode •Operands (in register /in address location) The most basic part of an instruction code is its operation part. Eg: - Add R1, R2, R3 Computer Architecture
  • 11.
  • 12.
    Scanf(“%d” ,& i); K = i + j; A part of a C program // Assuming the contents represented by variable i is in address 2500 MOV R1 ,2500 // Storing content to a memory location Add R3 , R2 , R1 //Adding the contents of R2 and R1 and storing that in R3. Here , Add is the opcode R3, R2 and R1 are in the operand field Computer Architecture
  • 13.
  • 14.
    Computer Instructions Computer instructionsare the basic components of a machine language program. They are also known as macro operations, since each one is comprised of a sequence of microoperations Each instruction initiates a sequence of microoperations that fetch operands from registers or memory, possibly perform arithmetic, logic, or shift operations, and store results in registers or memory. Computer Architecture
  • 15.
    Instructions are encodedas binary instruction codes. Each instruction code contains of a operation code, or opcode, which designates the overall purpose of the instruction (e.g. add, subtract, move, input, etc.). The number of bits allocated for the opcode determined how many different instructions the architecture supports. The control unit is responsible for decoding the opcode and operand bits in the instruction register, and then generating the control signals necessary to drive all other hardware in the CPU to perform the sequence of micro-operations that comprise the instruction. The opcode must consist of at least n bits for a given 2n or less distinct operations Computer Architecture
  • 16.
    Understanding the powersof 2 Computer Architecture
  • 17.
    STORED PROGRAM ORGANIZATION DIRECTAND INDIRECT ADDRESSING Computer Architecture
  • 18.
    Stored Program Organization Theoperands are specified by indicating the registers and/or memory locations in which they are stored. – k bits can be used to specify which of 2 pow K registers (or memory locations) are to be used. • The simplest design is to have one processor register (called the accumulator) and two fields in the instruction, one for the opcode and one for the operand. • Any operation that does not need a memory operand frees the other bits to be used for other purposes, such as specifying different operations. Computer Architecture
  • 19.
  • 20.
    INTRODUCTION • Every differentprocessor type has its own design (different registers, buses, microoperations, machine instructions, etc) • Modern processor is a very complex device • It contains • Many registers • Multiple arithmetic units, for both integer and floating point calculations • The ability to pipeline several consecutive instructions to speed execution • Etc. • However, to understand how processors work, we will start with a simplified processor model • This is similar to what real processors were like ~25 years ago • M. Morris Mano introduces a simple processor model he calls the Basic Computer • We will use this to introduce processor organization and the relationship of the RTL model to the higher level computer processor [In digital circuit design, register-transfer level (RTL) is a design abstraction which models a synchronous digital circuit in terms of the flow of digital signals (data) between hardware registers, and the logical operations performed on those signals.] Computer Architecture
  • 21.
    THE BASIC COMPUTER •The Basic Computer has two components, a processor and memory • The memory has 4096 words in it • 4096 = 212, so it takes 12 bits to select a word in memory • Each word is 16 bits long CPU RAM 0 4095 0 15 Computer Architecture
  • 22.
    INSTRUCTIONS • Program - Asequence of (machine) instructions • Machine Instruction - A group of bits that tell the computer to perform a specific operation (a sequence of micro-operation) • The instructions of a program, along with any needed data are stored in memory • The CPU reads the each instruction from memory • It is placed in an Instruction Register (IR) • Control circuitry in control unit then translates the instruction into the sequence of microoperations necessary to implement it Instruction codes Computer Architecture
  • 23.
    INSTRUCTION FORMAT • Acomputer instruction is often divided into two parts • An opcode (Operation Code) that specifies the operation for that instruction • An address that specifies the registers and/or locations in memory to use for that operation • In the Basic Computer, since the memory contains 4096 (= 212) words, we needs 12 bit to specify which memory address this instruction will use • In the Basic Computer, bit 15 of the instruction specifies the addressing mode (0: direct addressing, 1: indirect addressing) • Since the memory words, and hence the instructions, are 16 bits long, that leaves 3 bits for the instruction’s opcode Instruction codes Computer Architecture
  • 24.
    Addressing Modes •There arefour different types of operands that can appear in an instruction: – Direct operand - an operand stored in the register or in the memory location specified. – Indirect operand - an operand whose address is stored in the register or in the memory location specified. – Immediate operand - an operand whose value is specified in the instruction. Computer Architecture
  • 25.
  • 26.
    Registers Computer instructions arestored in consecutive locations and are executed sequentially; this requires a register which can track the address of the next instruction; we call it the Program Counter. We need registers which can hold the address at which a memory operand is stored as well as the value itself. We need a place where we can store – temporary data – the instruction being executed, – a character being read in – a character being written out. Computer Architecture
  • 27.
  • 28.
  • 29.
    The Common BusSystem To avoid excessive wiring, memory and all the register are connected via a common bus.  The specific output that is selected for the bus is determined by S2 S1 S0  The register whose LD (Load) is enable receives the data from the bus.  Registers can be incremented by setting the INR control  input and can be cleared by setting the CLR control input.  The Accumulator’s input must come via the Adder & Logic Circuit. This allows the Accumulator and Data Register to swap data simultaneously.  The address of any memory location being accessed must be loaded in the Address Register. Computer Architecture
  • 30.
  • 31.
    Computer Instructions • Thebasic computer has three instruction code formats: – Memory-reference format – where seven 3-bit opcodes are followed by a 12-bit memory address and preceded by a bit which indicates whether direct or indirect addressing is being used. – Register-reference format – where 01112 is followed by 12 bits which indicate a register instruction. – Input-output format – where 11112 is followed by 12bit which indicate an input- output instruction. • In register-reference and I/O formats, only one of the lower 12 bits is set. Computer Architecture
  • 32.
    Memory-reference Instructions Computer Architecture Thebasic computer has 16-bit instruction register (IR) which can denote either memory reference or register reference or input-output instruction. Memory Reference – These instructions refer to memory address as an operand. The other operand is always accumulator. Specifies 12-bit address, 3-bit opcode (other than 111) and 1- bit addressing mode for direct and indirect addressing.
  • 33.
    Computer Instructions -1. Memory Reference type Computer Architecture 0 or 1 12 bit Memory Address X X X 0 0 0 0 0 1 0 1 0 1 0 0 1 0 1 1 1 0 Example – if the IR register contains = 0001 XXXX XXXX XXXX, i.e. ADD after fetching and decoding of instruction we find out that it is a memory reference instruction for ADD operation. 4 bits 3 sets of 4 bits
  • 34.
  • 35.
    2. Register Reference– • These instructions perform operations on registers rather than memory addresses. The IR(14 – 12) is 111 (differentiates it from memory reference) and IR(15) is 0 (differentiates it from input/output instructions). The rest 12 bits specify register operation. Computer Architecture IR register contains = 0111001000000000, i.e. CMA after fetch and decode cycle we find out that it is a register reference instruction for complement accumulator.
  • 36.
    CLA 7800 ClearAC CLE 7400 Clear E(overflow bit) CMA 7200 Complement AC CME 7100 Complement E CIR 7080 Circulate right AC and E CIL 7040 Circulate left AC and E INC 7020 Increment AC SPA 7010 Skip next instruction if AC > 0 SNA 7008 Skip next instruction if AC < 0 SZA 7004 Skip next instruction if AC = 0 SZE 7002 Skip next instruction if E = 0 HLT 7001 Halt computer Computer Architecture REGISTER TRANSFER INSTRUCTIONS
  • 37.
    3. Input/Output –These instructions are for communication between computer and outside environment. The IR(14 – 12) is 111 (differentiates it from memory reference) and IR(15) is 1 (differentiates it from register reference instructions). The rest 12 bits specify I/O operation. Computer Architecture Example – IR register contains = 1111100000000000, i.e. INP after fetch and decode cycle we find out that it is an input/output instruction for inputing character. Hence, INPUT character from peripheral device.
  • 38.
  • 39.
    Instruction-Set Completeness • Acomputer instruction set is said to be complete if the computer includes a sufficient number of instructions in each of these categories: – Arithmetic, logical and shift instructions – Instructions for moving data from registers to memory and memory to registers. – Program-control and status-checking instructions – Input and output instructions • We can perform moves using the LDA and STA instructions. • We have unconditional branches (BUN), subprogram calls (BSA) and conditional branches. • We also have all the instructions we need to perform input and output and handle the interrupt that they generate. Computer Architecture
  • 40.
    Instruction Set Completeness ComputerArchitecture • A set of instructions is said to be complete if the computer includes a sufficient number of instructions in each of the following categories: • Arithmetic, logical and shift instructions • A set of instructions for moving information to and from memory and processor registers. • Instructions which controls the program together with instructions that check status conditions. • Input and Output instructions • Arithmetic, logic and shift instructions provide computational capabilities for processing the type of data the user may wish to employ. • A huge amount of binary information is stored in the memory unit, but all computations are done in processor registers. Therefore, one must possess the capability of moving information between these two units. • Program control instructions such as branch instructions are used change the sequence in which the program is executed. • Input and Output instructions act as an interface between the computer and the user. Programs and data must be transferred into memory, and the results of computations must be transferred back to the user.
  • 41.
  • 42.
    Timing and Control– Continued .. • A Hard-wired Control consists of two decoders, a sequence counter, and a number of logic gates. • An instruction fetched from the memory unit is placed in the instruction register (IR). • The component of an instruction register includes; I bit, the operation code, and bits 0 through 11. • The operation code in bits 12 through 14 are coded with a 3 x 8 decoder. • The outputs of the decoder are designated by the symbols D0 through D7. • The operation code at bit 15 is transferred to a flip-flop designated by the symbol I. • The operation codes from Bits 0 through 11 are applied to the control logic gates. • The Sequence counter (SC) can count in binary from 0 through 15. Computer Architecture
  • 43.
    Computer Architecture The lastthree waveforms in Fig. show how SC is cleared when D3T4 = I. Output D3 from the operation decoder becomes active at the end of timing signal T2 • When timing signal T4 becomes active, the output of the AND gate that implements the control function D3T4 becomes active. This signal is applied to the CLR input of SC.
  • 44.
    Instruction Cycle Computer Architecture Aprogram residing in the memory unit of a computer consists of a sequence of instructions. These instructions are executed by the processor by going through a cycle for each instruction. In a basic computer, each instruction cycle consists of the following phases: 1.Fetch instruction from memory. 2.Decode the instruction. 3.Read the effective address from memory. 4.Execute the instruction.
  • 45.
    • The programis executed in the computer by going through a cycle for each instruction. • Upon the completion of step 4, the control goes back to step 1 to fetch, decode, and execute the next instruction. This process continues indefinitely unless a HALT instruction is encountered. Computer Architecture
  • 46.
    Instruction Cycle • Initially,the program counter PC is loaded with the address of the first instruction in the program. The sequence counter SC is cleared to 0, providing a decoded timing signal To. • After each clock pulse, SC is incremented by one, so that the timing signals go through a sequence T0, T1, T2, and so on. The microoperations for the fetch and decode phases can be specified by the following register transfer statements. • T0: AR <- PC • T1: IR <-M[AR], PC <- PC + 1 • T2: D0, ••• , D7 <-Decode IR(12-14), AR <---IR(0-11), 1 <---IR(l5) • Since only AR is connected to the address inputs of memory, it is necessary to transfer the address from PC to AR during the clock transition associated with timing signal T0 • 1.The content of PC is placed onto the bus by setting the bus selection inputs S2S1S0 ie)010 • 2. The content of the bus is transferred to AR by enabling the LD input of AR Computer Architecture
  • 47.
    • To providethe data path for the transfer of PC to IR, timing signal T1 is applied • 1. The read input of memory is enabled • 2. the content of memory is placed onto the bus by making s2s1s0 =111 • 3. The content of bus is transferred to IR by enabling LD input of IR • 4. • PC is incremented by enabling the INR input of PC Computer Architecture
  • 48.
  • 49.
  • 50.
    Type of Instructionand Addressing During time T3, the control unit determines if this is a memory-reference, register- reference or input/output instruction. If D7=1,then it should be register reference or I/O reference instruction depending on I bit -if D7 ≠0,it is a memory-reference instruction, opcode must be 000 through 011 the I bit will determine direct or indirect addressing. • The four separate paths are: D7’IT3: AR ¬ M[AR] D7’I’T3: Nothing D7I’T3: Execute a register-reference instruction D7IT3: Execute an input-output instruction Computer Architecture
  • 51.
  • 52.
  • 53.
  • 54.
  • 55.
  • 56.
  • 57.
  • 58.
  • 59.
  • 60.
  • 61.
  • 62.
  • 63.
    COMPLETE COMPUTER DESCRIPTION Fetch Decode Indirect Interrupt Memory-Reference AND ADD LDA STA BUN BSA ISZ RT0: RT1: RT2: D7IT3: RT0: RT1: RT2: D0T4: D0T5: D1T4: D1T5: D2T4: D2T5: D3T4: D4T4: D5T4: D5T5: D6T4: D6T5: D6T6: AR PC IR  M[AR], PC  PC + 1 D0, ..., D7  Decode IR(12 ~ 14), AR  IR(0 ~ 11), I  IR(15) AR  M[AR] R  1 AR  0, TR  PC M[AR]  TR, PC  0 PC  PC + 1, IEN  0, R  0, SC  0 DR  M[AR] AC  AC  DR, SC  0 DR  M[AR] AC  AC + DR, E  Cout, SC  0 DR  M[AR] AC  DR, SC  0 M[AR]  AC, SC  0 PC  AR, SC  0 M[AR]  PC, AR  AR + 1 PC  AR, SC  0 DR  M[AR] DR  DR + 1 M[AR]  DR, if(DR=0) then (PC  PC + 1), SC  0 T0T1T2(IEN)(FGI + FGO): Computer Architecture
  • 64.
    Register-Reference CLA CLE CMA CME CIR CIL INC SPA SNA SZA SZE HLT Input-Output INP OUT SKI SKO ION IOF D7IT3 = r IR(i)= Bi r: rB11: rB10: rB9: rB8: rB7: rB6: rB5: rB4: rB3: rB2: rB1: rB0: D7IT3 = p IR(i) = Bi p: pB11: pB10: pB9: pB8: pB7: pB6: (Common to all register-reference instr) (i = 0,1,2, ..., 11) SC  0 AC  0 E  0 AC  AC E  E AC  shr AC, AC(15)  E, E  AC(0) AC  shl AC, AC(0)  E, E  AC(15) AC  AC + 1 If(AC(15) =0) then (PC  PC + 1) If(AC(15) =1) then (PC  PC + 1) If(AC = 0) then (PC  PC + 1) If(E=0) then (PC  PC + 1) S  0 (Common to all input-output instructions) (i = 6,7,8,9,10,11) SC  0 AC(0-7)  INPR, FGI  0 OUTR  AC(0-7), FGO  0 If(FGI=1) then (PC  PC + 1) If(FGO=1) then (PC  PC + 1) IEN  1 IEN  0 COMPLETE COMPUTER DESCRIPTION Micro-operations Computer Architecture
  • 65.
    DESIGN OF BASICCOMPUTER Hardware Components • A basic computer consists of the following hardware components. • A memory unit with 4096 words of 16 bits each • 9 Registers: AC (Accumulator), DR (Data register), AR (Address register), IR (Instruction register), PC (Program counter), TR (Temporary register), SC (Sequence Counter), INPR (Input register), and OUTR (Output register). • 7 Flip-Flops: I, S, E, R, IEN, FGI and FGO Control Logic Gates - Input Controls of the nine registers - Read and Write Controls of memory - Set, Clear, or Complement Controls of the flip-flops - S2, S1, S0 Controls to select a register for the bus - AC, and Adder and Logic circuit Computer Architecture
  • 66.
    CONTROL OF REGISTERSAND MEMORY Scan all of the register transfer statements that change the content of AR: LD(AR) = R'T0 + R'T2 + D'7IT3 CLR(AR) = RT0 INR(AR) = D5T4 Address Register; AR R’T0: AR  PC LD(AR) R’T2: AR  IR(0-11) LD(AR) D’7IT3: AR  M[AR] LD(AR) RT0: AR  0 CLR(AR) D5T4: AR  AR + 1 INR(AR) Design of Basic Computer AR LD INR CLR Clock To bus 12 From bus 12 D' I T T R T D T 7 3 2 0 4 Computer Architecture
  • 67.
    CONTROL OF FLAGS pB7:IEN  1 (I/O Instruction) pB6: IEN  0 (I/O Instruction) RT2: IEN  0 (Interrupt) p = D7IT3 (Input/Output Instruction) IEN: Interrupt Enable Flag D I T3 7 J K Q IEN p B7 B6 T2 R Computer Architecture
  • 68.
  • 69.
  • 70.
    Design of ALUand AC - Computer Architecture Circuits associated with AC
  • 71.
    Instructions associated withAC Computer Architecture
  • 72.